Microprocessors Lecture 20

16/32-bit microprocessor architecture and hardware


68000 addressing modes

Register direct

Memory addressing

  1. Indirect
                   eg.       add.w    (a2),d3
                             movea.b   (a0),(al)
    
  2. Indirect with post-increment or pre-decrement
                   eg.       cmp.l     (a2)-,d5
                             movea.b   (a0)+,(al)+
    
  3. Indirect with displacement
                   eg.       add.b     10(a3),d3
    
  4. Indirect with index and displacement
                   eg.       movea.l    20(d0:w,a2),a2
    
  5. Absolute
                   eg.       add.l      0x7100,d3
                             add.l      0x4la713c,d3
    
  6. PC with displacement
                   eg.       move.l    100(pc),d3
    
  7. Pc with index and displacement
                   eg.       movea.l    10(d0,pc),a2
    
  8. Immediate
                   eg.       add.w      #0xl2f4,d3
    

Operand size

Where appropriate, the operand may be a BYTE, WORD or LONG-WORD. The operand size is indicated to the assembler by adding a suffix
               b (byte)   w (word)   l (long)
to the instruction.

68000 INSTRUCTION SET (summary)

This selection from the 68000 instruction set is intended to give a 'feel' for the microprocessor, rather than to provide an exhaustive manual for its use.

DATA MOVEMENT

    instruction      operand          action            comments.
     mnemonic         size
  ----------------+--------------+-----------------+-----------------------
       EXG           32 bit          Rn ->  Rm        exchange registers  

       LEA           32              EA ->  An        load effective address

       MOVE          8/16/32         EAs -> EAd       replaces LDA,LDX,STA,STX
                                                          etc. in the 6809
                                                      the general move instruction
       SWAP          32           Dn(hi) <-> Dn(lo)
                                                      swap register halves

       MOVEM         16/32         EA -> Rn ... Rm    move multiple registers
                                   Rn ... Rm -> EA    
       etc.

ARITHMETIC


        ADD          8/16/32       EA + Dn -> Dn
        CLR		"
        CMP		"
        DIVS         32/16         signed divide    32 bit/16 bit
        DIVU            "          unsigned divide        "
        MULS         16/32         signed multiply  16 bit x 16 bit
        MULU            "          unsigned multiply 	  "
        NEG          8/16/32       2's complement
        SUB		"
        TST             "          compare with zero & set flags
        etc.

LOGICAL

        AND          8/16/32
        OR		"
        EOR		"
        NOT		"

SHIFT & ROTATE

        ASL          8/16/32
        ASR		"
        LSL		"
        LSR		"
        ROL             "	   CARRY is not included in
        ROR             "          the rotation
        ROXL            "          as above, except the X bit
        ROXR            "          is part of the shift registe

BIT

       BTST          1 bit
       BSET		"
       BCLR		"
       BCHG		"	   test & change bit

       the Z flag reflects the state of the bit tested

BCD

       ABCD          8		   add BCD operands
       SBCD          8		   subtract
       NBCD          8		   negate

       all results  are extended to 32 bits

BRANCHES

       Bcc           where 'cc' represents one of the 16 testable conditions
                     eg. BGT, BLS, BMI etc.
                     the offset may be 8 or 16 bits in length.
       DBcc          as above, except .......
                     decrements the specified register, tests and branches
                     if condition met.
       BRA
       BSR
       JMP
       JSR
       RTS
       etc.

SYSTEM


Hardware compatibility with 8-bit devices

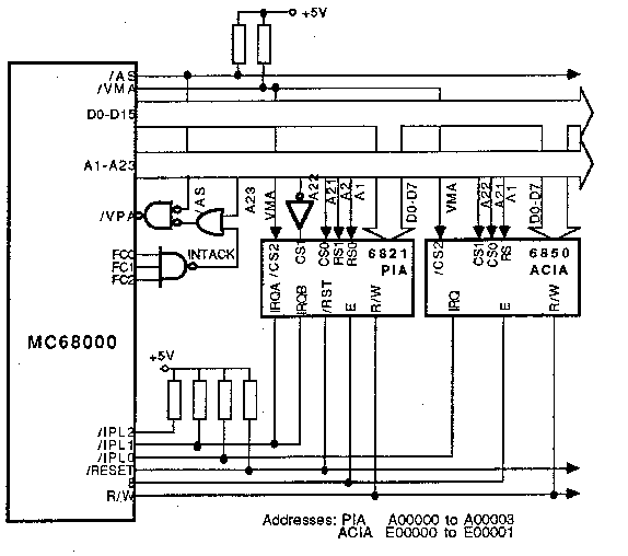
The 68000 designers made no attempt to maintain software compatibility with earlier 6800 designs. However, 6800 peripheral devices (PIAs and ACIAs etc.) which are synchronous can be used with the 68000 asynchronous bus.

An E signal is continuously generated by the 68000, which does the same job as the E signal of the 6809. Since 6800 peripherals do not generate DTACK, a 6800-type bus cycle is timed with respect to the E signal instead.

How does the 68000 know when to execute a 6800-type cycle?

Address decoding is used to reserve some memory locations for synchronous devices. When an address in this range is used by the 68000, the address decoder sends a VPA (valid peripheral address) signal to the 68000 which causes it to synchronise with the E signal.

Since the E signal is continuously generated, it can be in any phase with the instruction execution cycle. Therefore, when VPA is asserted, the 68000 waits until the E signal is high and then goes low - marking the start of the E clock cycle.

Thereafter, wait states (SW) are inserted by the 68000 until the end of the E clock cycle, when the 68000 cycle terminates in the usual (asynchronous) way.

The address decoding can be as simple as in the diagram below, where synchronous peripherals are addressed when A23 is high.

UDS and LDS

For standard, asynchronous, bus cycles the upper and lower data strobes are connected to byte-wide memory devices as shown below. This allows word or byte accesses to take place.
Back
TGC